บ้าน / ข่าว

ข่าว

ทักษะการบำรุงรักษาโซ่เงียบ

ทักษะการบำรุงรักษาโซ่เงียบ

โดยทั่วไปแล้วโซ่จะเป็นตัวต่อหรือวงแหวนโลหะ ซึ่งส่วนใหญ่จะใช้สำหรับการส่งผ่านและการยึดเกาะทางกล เรามาดูวิธีการดูแลรักษาของ โซ่เงียบ . ...

อะไรคือสาเหตุทั่วไปของความเสียหายต่อโซ่รถจักรยานยนต์

อะไรคือสาเหตุทั่วไปของความเสียหายต่อโซ่รถจักรยานยนต์

โซ่รถจักรยานยนต์ เนื่องจากเป็นอุปกรณ์ส่งแรงทั่วไป ใช้การออกแบบ "โซ่" ไฮเพอร์โบลิกอาร์กเพื่อลดแรงเสียดทาน มันถูกใช้ในสถานที่ที่มีกำลังค่อนข้าง...

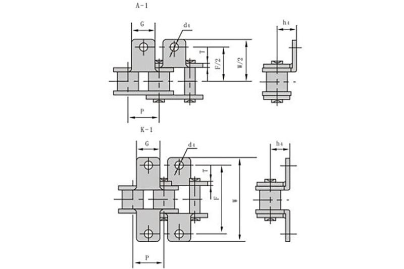
ส่วนของโซ่แบบลูกกลิ้งคืออะไร

ส่วนของโซ่แบบลูกกลิ้งคืออะไร

มีส่วนอะไรบ้าง. โซ่แบบลูกกลิ้ง ? 1. เพลาพิน: องค์ประกอบทรงกระบอกเรียวที่ใช้เป็นแกนหมุนของบานพับโซ่ 2. หมุดแข็ง: ห...

ผู้ผลิตโซ่ขับเคลื่อนแนะนำความสัมพันธ์ระหว่างโซ่และเฟือง

ผู้ผลิตโซ่ขับเคลื่อนแนะนำความสัมพันธ์ระหว่างโซ่และเฟือง

โซ่ขับ ผู้ผลิตแนะนำว่าเฟืองขับเคลื่อนด้วยโซ่ และหน่วยโมเดลโดยทั่วไปจะเป็นภาษาอังกฤษ มีทั้งแถวเดียว แถวสอง และหลายแถว เหมาะสำหรับความเร็...

ผู้ผลิตโซ่เกษตรแนะนำการเตรียมโซ่

ผู้ผลิตโซ่เกษตรแนะนำการเตรียมโซ่

ห่วงโซ่การเกษตร ผู้ผลิตแนะนำว่าต้องเตรียมโซ่เพื่อตรวจสอบว่ามีสกรูอยู่ในโซ่ก่อนสตาร์ทหรือไม่ และชิ้นส่วนโครงสร้างหลวม ควรถอดวัสดุอื่นๆ ท...

ผู้ผลิตโซ่ส่งกำลังแนะนำวิธีดูแลรักษาโซ่

ผู้ผลิตโซ่ส่งกำลังแนะนำวิธีดูแลรักษาโซ่

เมื่อโซ่ได้รับการบำบัดป้องกันสนิมเพื่อแก้ปัญหาขั้นตอนการทำงานจำเป็นต้องเช็ดส่วนผสมการดองบนพื้นผิวก่อนและตรวจสอบให้แน่ใจว่าความหนาของการเคลือบอยู...

เหตุใด Leaf Chain จึงมีปัญหาเรื่องการเบี่ยงเบนทั่วไป

เหตุใด Leaf Chain จึงมีปัญหาเรื่องการเบี่ยงเบนทั่วไป

ด้วยแนวโน้มการพัฒนาอย่างต่อเนื่องในด้านโซ่สแตนเลส ผลิตภัณฑ์โซ่สแตนเลสจึงถูกนำมาใช้กันอย่างแพร่หลาย ในหมู่พวกเขา ใบโซ่ ยังใช้กันอย่างแพร่หลาย แต่...

รายละเอียดการบำรุงรักษารายวันของห่วงโซ่อุตสาหกรรม

รายละเอียดการบำรุงรักษารายวันของห่วงโซ่อุตสาหกรรม

ห่วงโซ่อุตสาหกรรม คือ ข้อดีและรายละเอียดการบำรุงรักษารายวัน: 1. หากโซ่ขับเคลื่อนอยู่นอกทิศทาง ให้ปรับเพลาปรับควา...

ผู้ผลิตโซ่เงียบแนะนำวิธีจัดการกับข้อผิดพลาดของเฟืองสเตนเลสสตีลอย่างถูกต้อง

ผู้ผลิตโซ่เงียบแนะนำวิธีจัดการกับข้อผิดพลาดของเฟืองสเตนเลสสตีลอย่างถูกต้อง

โซ่เงียบ ผู้ผลิตแนะนำวิธีจัดการกับข้อผิดพลาดของเฟืองสเตนเลสอย่างถูกต้อง? สังเกตการเคลื่อนที่ในแนวนอนของดรัมเฟืองสแตนเลส...

ผู้ผลิตโซ่รถจักรยานยนต์แนะนำวิธีการแก้ไขปัญหาทั่วไปของเฟือง

ผู้ผลิตโซ่รถจักรยานยนต์แนะนำวิธีการแก้ไขปัญหาทั่วไปของเฟือง

โซ่รถจักรยานยนต์ ผู้ผลิตแนะนำวิธีการแก้ไขปัญหาทั่วไปของเฟือง: 1. สาเหตุของความสามารถในการรับน้ำหนักของเฟืองสแตนเลสไม่เท...

ผู้ผลิตโซ่แบบลูกกลิ้งแนะนำวิธีจัดการกับข้อผิดพลาดของเฟืองอย่างถูกต้อง

ผู้ผลิตโซ่แบบลูกกลิ้งแนะนำวิธีจัดการกับข้อผิดพลาดของเฟืองอย่างถูกต้อง

เมื่อเฟืองสแตนเลสเกิดข้อผิดพลาดเราไม่ควรรีบเร่งแก้ไข มาติดตามกัน. โซ่แบบลูกกลิ้ง ผู้ผลิตต้องจัดการกับข้อผิดพลาดของเฟืองอย่างถูกต้อง ...

ผู้ผลิตโซ่ขับเคลื่อนแนะนำวิธีถอดตลับลูกปืนเฟืองที่เสียหายอย่างรวดเร็ว

ผู้ผลิตโซ่ขับเคลื่อนแนะนำวิธีถอดตลับลูกปืนเฟืองที่เสียหายอย่างรวดเร็ว

โซ่ขับ ผู้ผลิตแนะนำวิธีถอดแบริ่งเฟืองที่เสียหายออกอย่างรวดเร็ว: 1. ค่อยๆ ถอดฝาปิดท้ายและฝาเกลียวของแบริ่งลูกกลิ้งและแบริ่งลู...