บ้าน / ข่าว

ข่าว

โรงงานโซ่สายพานลำเลียงแนะนำข้อกำหนดการควบคุมการจัดการระบบโซ่

โรงงานโซ่สายพานลำเลียงแนะนำข้อกำหนดการควบคุมการจัดการระบบโซ่

โซ่ลำเลียง โรงงานแนะนำข้อกำหนดการควบคุมการจัดการระบบโซ่: 1. ตระหนักถึงการประมูลแบบรวมสำหรับการจัดการระบบการจัดการและควบคุมสาย...

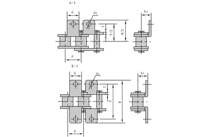
โรงงานเฟืองอุตสาหกรรมเปิดตัวโซลูชั่นสำหรับการแตกร้าวของโซ่

โรงงานเฟืองอุตสาหกรรมเปิดตัวโซลูชั่นสำหรับการแตกร้าวของโซ่

เฟืองอุตสาหกรรม โรงงานแนะนำวิธีแก้ปัญหาสำหรับการแตกร้าวของโซ่: โซ่เป็นของโซ่ส่งกำลังชนิดหนึ่งของระบบส่งกำลังและเป็นของโซ่ส่งก...

ผู้ผลิตโซ่ใบขอแนะนำข้อผิดพลาดทั่วไปของโซ่แบบลูกกลิ้ง

ผู้ผลิตโซ่ใบขอแนะนำข้อผิดพลาดทั่วไปของโซ่แบบลูกกลิ้ง

ทำ โซ่ใบ ผู้ผลิตแนะนำข้อบกพร่องทั่วไปของโซ่แบบลูกกลิ้งคืออะไร 1. การสึกหรอของฟันเฟือง: หากมีการสึกหรอทั้งสองด้านของฟันเฟือง...

ผู้ผลิตโซ่อุตสาหกรรมแนะนำข้อควรระวังในการใช้โซ่แบบฟังก์ชั่น

ผู้ผลิตโซ่อุตสาหกรรมแนะนำข้อควรระวังในการใช้โซ่แบบฟังก์ชั่น

ห่วงโซ่อุตสาหกรรม ผู้ผลิตแนะนำข้อควรระวังในการใช้โซ่ฟังก์ชัน: 1. อุณหภูมิของอากาศและการแช่แข็ง: ในกรณีที่อุณหภูมิแตกต่างกันระ...

ผู้ผลิตโซ่รถจักรยานยนต์แนะนำเทคนิคการหล่อลื่นโซ่

ผู้ผลิตโซ่รถจักรยานยนต์แนะนำเทคนิคการหล่อลื่นโซ่

แผ่นเหล็กสแตนเลสมีการใช้กันอย่างแพร่หลายในชีวิตประจำวันของเรามานานแล้ว แต่ลูกค้าจำนวนมากจะถามว่าห่วงโซ่แผ่นสแตนเลสรวมเข้ากับสภาพแวดล้อมทางธรรมชาติแ...

โรงงาน Silent Chain ขอแนะนำสาเหตุของการสึกหรอของเฟือง

โรงงาน Silent Chain ขอแนะนำสาเหตุของการสึกหรอของเฟือง

โซ่เงียบ โรงงานแนะนำสาเหตุของการสึกหรอของเฟือง: 1. ยิ่งภาระการสึกหรอของกาวมากขึ้นและอุณหภูมิพื้นผิวสูงขึ้นเท่าใด ปรากฏการณ์ก...

ผู้ผลิตโซ่แบบลูกกลิ้งแนะนำวิธีการทำความสะอาดโซ่อุตสาหกรรม

ผู้ผลิตโซ่แบบลูกกลิ้งแนะนำวิธีการทำความสะอาดโซ่อุตสาหกรรม

โซ่อุตสาหกรรมหมายถึงโซ่ที่ใช้กับเครื่องจักรขนาดกลางและขนาดใหญ่ที่ใช้ในการผลิตทางอุตสาหกรรม เนื่องจากจุดแข็งของการปฏิบัติงานและสภาพแวดล้อมในการทำ...

ผู้ผลิตโซ่ขับเคลื่อนแนะนำข้อควรระวังในการใช้โซ่

ผู้ผลิตโซ่ขับเคลื่อนแนะนำข้อควรระวังในการใช้โซ่

โซ่ถูกนำมาใช้ในหลายสถานที่ เช่น จักรยานและรถยนต์ เนื่องจากมีการใช้งานในสถานที่หลายแห่ง การบำรุงรักษาโซ่จึงมีความสำคัญมากเช่นกัน ด้านล่าง โ...

ผู้ผลิตโซ่เกษตรแนะนำประโยชน์ของโซ่ส่งผ่านวัสดุที่แตกต่างกัน

ผู้ผลิตโซ่เกษตรแนะนำประโยชน์ของโซ่ส่งผ่านวัสดุที่แตกต่างกัน

ห่วงโซ่การเกษตร ผู้ผลิตแนะนำประโยชน์ของโซ่ส่งผ่านของวัสดุต่าง ๆ: 1. โซ่ยาง: โซ่ประเภทนี้ใช้โซ่สแตนเลสซีรีส์ A, B ที่มีแผ่นยึด...

ผู้ผลิตโซ่ส่งกำลังแนะนำข้อควรระวังสำหรับการใช้โซ่

ผู้ผลิตโซ่ส่งกำลังแนะนำข้อควรระวังสำหรับการใช้โซ่

โซ่ถูกนำมาใช้ในหลายสถานที่ ทุกคนควรรู้ไว้ว่าตราบใดที่จำเป็นต้องมีอุปกรณ์กีฬาก็ต้องมีอยู่ เช่น ยานพาหนะ อุปกรณ์อุตสาหกรรม ฯลฯ ก็จะใช้งานได้ ด้านล...

ผู้ผลิตโซ่สายพานลำเลียงแนะนำบทบาทของโซ่ส่งผ่านของวัสดุที่แตกต่างกัน

ผู้ผลิตโซ่สายพานลำเลียงแนะนำบทบาทของโซ่ส่งผ่านของวัสดุที่แตกต่างกัน

โซ่ลำเลียง ผู้ผลิตแนะนำบทบาทของโซ่ส่งผ่านของวัสดุต่างๆ: 1. โซ่ยาง: โซ่ประเภทนี้ใช้โซ่สแตนเลสซีรีส์ A, B พร้อมแผ่นยึดรูปตัวยูท...

ผู้ผลิตเฟืองอุตสาหกรรมแนะนำข้อควรระวังในการใช้โซ่

ผู้ผลิตเฟืองอุตสาหกรรมแนะนำข้อควรระวังในการใช้โซ่

โซ่ถูกนำมาใช้ในหลายสถานที่ ไม่ว่าจะเป็นอุปกรณ์อุตสาหกรรมหรือของใช้ในครัวเรือน คุณสามารถพบเห็นโซ่ประเภทต่างๆ ได้ในสถานที่เหล่านี้ ด้านล่าง ...