บ้าน / ข่าว

ข่าว

วิธีการระบุคุณภาพของโซ่ขับ

วิธีการระบุคุณภาพของโซ่ขับ

วิธีการระบุว่าคุณภาพของ โซ่ขับ ก็ดีเรามาดูกัน 1. คุณภาพของโซ่สามารถแยกแยะได้จากรูปลักษณ์ภายนอก ขึ้นอยู่กับการเสียรูปขอ...

วิธีป้องกันโซ่แบบลูกกลิ้งไม่ให้เป็นสนิม

วิธีป้องกันโซ่แบบลูกกลิ้งไม่ให้เป็นสนิม

โซ่แบบลูกกลิ้ง มีบทบาทสำคัญในการผลิตภาคอุตสาหกรรมในปัจจุบัน จากนั้นเมื่อใช้งานไปนานๆ จะพบว่าส่วนประกอบต่างๆ มีอายุมากขึ้นหรือค่อยๆ เสื่...

ผู้ผลิตโซ่การเกษตรแนะนำข้อกำหนดการใช้งานของสายพานลำเลียง

ผู้ผลิตโซ่การเกษตรแนะนำข้อกำหนดการใช้งานของสายพานลำเลียง

ห่วงโซ่การเกษตร ผู้ผลิตแนะนำว่าโซ่ลำเลียงเหมาะสำหรับสภาพแวดล้อมและความต้องการที่หลากหลาย โดยเฉพาะสามารถสรุปได้ดังต่อไปนี้: 1....

โซ่ส่งกำลังประเภทใดบ้าง?

โซ่ส่งกำลังประเภทใดบ้าง?

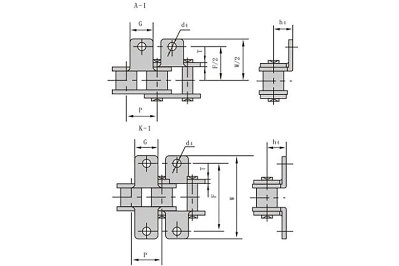
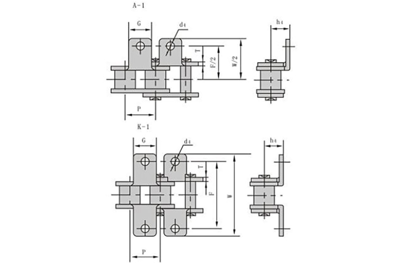
ประเภทของโซ่ส่งกำลังแบ่งได้เป็น โซ่ส่งกำลัง , โซ่ยก และ โซ่ลาก โซ่ยกและโซ่ลากใช้ในการยกและขนส่งเครื่องจักร โซ่ส่งกำลังใช้กันอย่างแพร่...

วิธีการทั่วไปในการซ่อมเฟืองอุตสาหกรรม

วิธีการทั่วไปในการซ่อมเฟืองอุตสาหกรรม

เฟืองอุตสาหกรรม เป็นอุปกรณ์เสริมที่สวมใส่ง่ายสำหรับเครื่องจักรอุตสาหกรรม สำหรับเกียร์ที่สึกหรอ เราสามารถซ่อมแซมได้ด้วยวิธีการบางอย่างเพื่อยืด...

วิธีการบำรุงรักษาโซ่สายพานลำเลียง

วิธีการบำรุงรักษาโซ่สายพานลำเลียง

วันนี้จะมาแบ่งปันวิธีการดูแลรักษาของ โซ่ลำเลียง : : 1. ความแน่นของโซ่เป็นเรื่องสำคัญ อย่าขันแน่นหรือคลายมากเกินไป เพราะจะทำ...

ผู้ผลิตโซ่ใบแบ่งปันวิธีการใช้โซ่สังกะสีแบบยกอย่างเหมาะสม

ผู้ผลิตโซ่ใบแบ่งปันวิธีการใช้โซ่สังกะสีแบบยกอย่างเหมาะสม

ความยาวของโซ่สามารถปรับได้ขึ้นอยู่กับความสูงในการยกของวัตถุในการยกเพื่อให้การยกและการขนส่งเสร็จสมบูรณ์ โซ่สังกะสีเป็นส่วนที่ขาดไม่ได้และสำคัญของ...

ผู้ผลิตโซ่อุตสาหกรรมแบ่งปันวิธีการตัดสินความน่าเชื่อถือของโซ่ Guardrail

ผู้ผลิตโซ่อุตสาหกรรมแบ่งปันวิธีการตัดสินความน่าเชื่อถือของโซ่ Guardrail

หากใช้โซ่ราวกันตก ความน่าเชื่อถือถือเป็นสิ่งสำคัญมาก ต่อไปนี้ ห่วงโซ่อุตสาหกรรม ผู้ผลิตจะแนะนำวิธีตัดสินความน่าเชื่อถือ: "เ...

Silent Chain สามารถใช้ในการผลิตระบบอัตโนมัติทางการเกษตรได้

Silent Chain สามารถใช้ในการผลิตระบบอัตโนมัติทางการเกษตรได้

สำหรับ โซ่เงียบ มีประโยชน์ในทุกสาขาอาชีพค่อนข้างมาก ในหมู่พวกเขา เพื่อนชาวนาของเราใกล้ชิดกับ Silent Chain ซึ่งเป็นห่วงโซ่การหนีบและจั...

ข้อควรทราบเมื่อซื้อโซ่รถจักรยานยนต์

ข้อควรทราบเมื่อซื้อโซ่รถจักรยานยนต์

มีหลายสิ่งที่ต้องใส่ใจเมื่อซื้อ โซ่รถจักรยานยนต์ . คนที่เป็นมืออาชีพหลายคนไม่เข้าใจวิธีการซื้อโซ่มากนัก บทบาทของโซ่เป็นอย่าง...

วิธีขจัดคราบสนิมโซ่แบบลูกกลิ้ง

วิธีขจัดคราบสนิมโซ่แบบลูกกลิ้ง

โซ่แบบลูกกลิ้ง มีความทนทานต่อการกัดกร่อนสูง แต่ถ้ามีคราบสนิมล่ะ? ก่อนอื่นเราขอทำความเข้าใจก่อนว่าครีมดองเป็นวิธีที่ใช้กันทั่ว...

วิธีขจัดคราบน้ำมันออกจากโซ่ขับ

วิธีขจัดคราบน้ำมันออกจากโซ่ขับ

หลังจากใช้ โซ่ขับ เป็นเวลานานหากไม่ใส่ใจเรื่องการดูแลรักษาน้ำมันก็จะมีน้ำมันหรือสิ่งสกปรกเกาะอยู่เป็นจำนวนมาก หากคุณไม่ทำความสะอาดทัน...